Crack propagation in a beam under impact loading simulated using XFEM

This example verifies and illustrates the use of the extended finite element method (XFEM) in Abaqus/Standard to predict dynamic crack propagation of a beam with an offset edge crack. The specimen is subjected to a mixed-mode impact loading. Both two- and three-dimensional models are studied. The crack paths and crack initiation angles presented are compared to the experimental results of John and Shah (1990).

The following topics are discussed:

ProductsAbaqus/Standard

Problem description

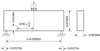
A beam with an offset edge crack is studied. The specimen, shown in Figure 1, has a length of 0.2286 m, a thickness of 0.0254 m, and a width of 0.0762 m. The distance between supports is 0.2032 m. To induce a mixed-mode fracture, an initial crack with a length of 0.019 m is made at an offset distance of 0.06604 m measured from the midspan in the specimen. A velocity boundary condition is imposed at the midspan of the specimen to simulate a dynamic impact:

v(t)={v0ttramp,tramptv0,otherwise;

where v0 = 0.06 m/s and tramp = 1.96 × 10–4 s.

The material data for the bulk material properties in the enriched elements are E = 31.37 GPa, ρ = 2400 kg/m3, and ν = 0.2.

The response of cohesive behavior in the enriched elements in the model is specified. The maximum principal stress failure criterion is selected for damage initiation, and an energy-based damage evolution law based on a power law fracture criterion is selected for damage propagation. The relevant material data are as follows: σmax = 10.45 MPa, G1C = 19.58 N/m, GIIC = 19.58 N/m, GIIIC = 19.58 N/m, am = 1.0, an = 1.0, and a0 = 1.0.

Results and discussion

Figure 2 shows the crack profile when t = 1.3 × 10–3 s. The crack propagates at an angle of 58°, which is in reasonable agreement with the experimental result of 60°.

Input files

crackprop_tpb_xfem_2d_dyn.inp

Two-dimensional plane strain model under mixed-mode impact loading.

crackprop_tpb_xfem_c3d4_dyn.inp

Three-dimensional tetrahedron model under mixed-mode impact loading.

crackprop_tpb_xfem_c3d8r_dyn.inp

Three-dimensional brick model with reduced integration under mixed-mode impact loading.

Python scripts

crackprop_tpb_xfem_c3d8r_dyn.py

Script to generate the three-dimensional brick model with reduced integration under mixed-mode impact loading in Abaqus/CAE simulated using the XFEM-based cohesive segments approach.

References

  1. John P. and SPShah, Mixed Mode Fracture of Concrete Subjected to Impact Loading,” Journal of Structural Engineering (ASCE), vol. 116 585–602, 1990.

Figures

Figure 1. Model geometry of the beam with an offset edge crack (dimensions in m).

Figure 2. Crack profile at t = 1.3 × 10–3 s.