Dynamic shear failure of a single-edge notch simulated using XFEM

This example verifies and illustrates the use of the extended finite element method (XFEM) in Abaqus/Standard to predict dynamic crack propagation of a plate with an edge crack. The specimen is subjected to a high rate shear impact loading. The crack paths and crack initiation angles presented are compared to the experimental results of Kalthoff and Winkler (1987).

The following topics are discussed:

ProductsAbaqus/Standard

Problem description

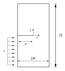
A plate with a single edge crack is studied. The specimen, shown in Figure 1, has dimensions L = 0.003 m and W = 0.0015 m and an initial crack with length a = 0.0015 m. The lower part of the specimen is subjected to an impulse load along the horizontal direction, which is modeled as a prescribed velocity:

v(t)={v0ttramp,tramptv0,otherwise;

where v0 = 25 m/s and tramp = 1.0 × 10–7 s.

The material data for the bulk material properties in the enriched elements are E = 3.24 GPa, ρ = 1190 kg/m3, and ν = 0.35.

The response of cohesive behavior in the enriched elements in the model is specified. The maximum principal stress failure criterion is selected for damage initiation, and an energy-based damage evolution law based on a power law fracture criterion is selected for damage propagation. The relevant material data are as follows: σmax = 100.0 MPa, G1C = 700 N/m, GIIC = 700 N/m, GIIIC = 700 N/m, am = 1.0, an = 1.0, and a0 = 1.0.

Results and discussion

Figure 2 shows the crack profile when t = 6.0 × 10–6 s. The crack propagates at an angle of 62°, which is in reasonable agreement with the experimental result of 65°.

Input files

crackprop_shear_xfem_3d_dyn.inp

Three-dimensional brick model with reduced integration under shear impact loading.

Python scripts

crackprop_shear_xfem_3d_dyn.py

Script to generate the three-dimensional brick model with reduced integration under shear impact loading in Abaqus/CAE simulated using the XFEM-based cohesive segments approach.

References

  1. Kalthoff J. K. and SWinkler, Failure Mode Transition at High Rates of Loading,” Proceedings of the International Conference on Impact Loading and Dynamic Behavior of Materials 185–195, 1987.

Figures

Figure 1. Model geometry of the plate with an edge crack subjected to shear impact loading.

Figure 2. Crack profile at t = 6.0 × 10–6 s.